
| Versorgungsspannung | 10 – 30 VDC |
| Leistungsaufnahme | ≤ 2,5 W |
| Einschaltzeit | < 1 s |
| Min Temperature | - 20 °C (- 4 °F) |
| Max Temperature | +80 °C (+176 °F) |
| Gewicht | 1055 g (2.33 lb) |
| Schutzart | IP64 / IP65 |
| EMC: Störaussendung | DIN EN 61000-6-4 |
| EMV: Störfestigkeit | DIN EN 61000-6-2 |
| Measuring Length | 6,00 m |
| Durchschnittliche Länge per Umdrehung | 200 mm |
| Material Messseil | Edelstahl |
| Durchmesser Messseil | 0.60 mm |
| Material Gehäuse | Stahl |
| Material Seilzug-Gehäuse | Aluminium / Kunststoff |
| Max. Seilgeschwindigkeit | 3 m/s |
| Max. Winkelbeschleunigung | 2.4 g |
| Max. Auszugskraft | 8.0 N |
| Min. Einzugskraft | 3.0 N |
| Lebensdauer | Nicht verfügbar |
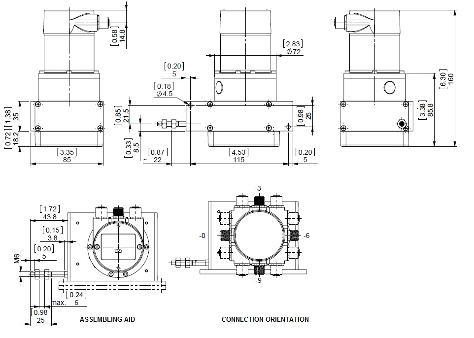
| Seilanschluss | Gewindebolzen M6 |
| Max. Kabelaustrittswinkel | ±10° |
| Technologie | Optisch (≤ 0.02°) |
| Genauigkeit | ±0.006 % Full Scale Output |
| Wiederholpräzision | ±0.003 % Full Scale Output |
| Auflösung Singleturn | 13 bit |
| Auflösung Multiturn | 12 bit |
| Ca. lineare Auflösung | 24.4 µm |
| Code | Binär |
| Schnittstelle | EtherCAT |
| Profil | CoE (CANopen over EtherCAT, DS-301+DS-406) |
| Diagnose | OptoAsic, Speicher, LED |
| Programmierfunktionen | Auflösung, Preset, Zählrichtung |
| Übertragungsrate | 10 / 100 Mbit |
| Schnittstellen Zykluszeit | ≥ 62.5 µs |
| Ausgangstreiber | Ethernet |
| Stromaufnahme | ≤ 230 mA @ 10 V DC, ≤ 100 mA @ 24 V DC |
| Verpolungsschutz | Ja |
| Kurzschluss-Schutz | Ja |
| Elektrische Lebensdauer | >10⁵ h |
| Verbindungsausrichtung | Radial |
| Verbindungsausrichtung | Radial 0 / Axial |
| Anschluss 1 | M12, Buchse, 4-polig, D-kodiert |
| Anschluss 2 | M12, Stecker, 4-polig, A-kodiert |
| Anschluss 3 | M12, Buchse, 4-polig, D-kodiert |
| Lebenszyklus | Bewährt |

| Signal | Stecker | Pin-Nummer |
|---|---|---|
| Tx+ | 1 | 1 |
| Rx+ | 1 | 2 |
| Tx- | 1 | 3 |
| Rx- | 1 | 4 |
| Power Supply | 2 | 1 |
| Not Connected | 2 | 2 |
| GND | 2 | 3 |
| Not Connected | ||

| 2 |
| 4 |
| Tx+ | 3 | 1 |
| Rx+ | 3 | 2 |
| Tx- | 3 | 3 |
| Rx- | 3 | 4 |